coming home modul hilfeeeeeeeeee!!!!!!!

Dieses Thema im Forum "Fiesta Mk6 / Fusion" wurde erstellt von fiest97, 3. Mai 2010.

  1. TS
    fiest97

    fiest97 Gast

    wenn man 2 verschiedene hatt sollte man auch gucken für was welche leitung ist;-)

    aber wenn ich mich rescht errinner hatt Nobodys das gleiche wie ich
     
  2. ST1302

    ST1302 Forums Bewohner(in)

    Registriert seit:
    28. Oktober 2007
    Beiträge:
    1.022
    Zustimmungen:
    0
    Hat jemand von euch hiermit erfahrung gemacht?

    Ford

    Wäre ja idiotensicher der Einbau!
     
  3. TS
    fiest97

    fiest97 Gast

    Hey,

    das wurd in einem seat leon forum mal besprochen und das die ndinger der lezte müll sein sollen und für den preis auch nicht funktionieren sollen

    hab deshalb auch die finger davon gelassen und die aus er bucht genommen
     
  4. ST1302

    ST1302 Forums Bewohner(in)

    Registriert seit:
    28. Oktober 2007
    Beiträge:
    1.022
    Zustimmungen:
    0
    Danke für die kurze Antwort. Also Finger weg.
    Wäre nur vom Einbau total einfach gewesen. An dieses, welches du verbaut hast trau ich mich nicht ran
     
  5. TS
    fiest97

    fiest97 Gast

    Hey,

    also ich hab von teschnik normalwerweise auch null plan ausser plus und minus und das war es auch

    aber da ich es unbedingt haben wollte das die nebler angehen wenn ich aufschliesse habe ich es nach langem versuchem geschafft und mit einem bisschen hilfe

    was wäre denn dein problem?

    mit bildern könnte ich dir sonst helfen oder bei manschen fragen
     
  6. Eckstaedt

    Eckstaedt Forums Fortgeschrittene(r)

    Registriert seit:
    1. März 2006
    Beiträge:
    277
    Zustimmungen:
    0
    Hey Ho ich hab gestern TFL eingebaut welche den strom über das Zündungsplus bekommen. Da ihr ja jetzt pro's seid im CH Modul einbau. Meine Frage an welche Kabel muss ich rann wenn dieses TFL angehen soll sobald ich mit der Funkfernbedienung öffne oder schließe?
     
  7. TS
    fiest97

    fiest97 Gast

    ich würde mal sagen an den lischtschalter wo die leitung vom tfl ist

    sonst nimmt man ja am schalter abblendlicht stand oder eben die nebler

    ist aber auch nur eine vermutung von mir
     
  8. TS
    RST

    RST Gast

    hast du das LED TFL eingebaut welches sich einschaltet sobald der motor läuft ?
    wenn ja dann kannst du es vergessen dieses TLF mit dem CH modul einzuschalten !!!

    habe auch eine neue lösung fürs CH gefunden, werde dieses in den nächsten tagen noch posten.
     
    Zuletzt von einem Moderator bearbeitet: 19. Februar 2011
  9. Eckstaedt

    Eckstaedt Forums Fortgeschrittene(r)

    Registriert seit:
    1. März 2006
    Beiträge:
    277
    Zustimmungen:
    0
    nein die TFL gehen mit der Zündung an. Als Stromquelle dient das Zündungsplus für die Anhängerkupplung. wie funktioniert das CH Modul und wo schließt ihr es an?
     
  10. TS
    RST

    RST Gast





    in deinem fall müstest du anstelle des kabels vom licht schalter
    das stromversorgungskabel welches du an der sicherung für die AZV angeschlossen hast an das gelbe (an das welches von der sicherung kommt)
    und gelb/schwarze kabel (an das welches zum TFL geht) anklemmen.

    Update 1.1:
    Einbauanleitung Fiesta MK6

    Coming Home Modul

    Schwarzes Kabel an Karosserie/Masse anschließen.
    Rotes Kabel am GEM-Modul mit dem orange/weißen Kabel vom Pin 2 am blauen Stecker verbinden.

    In Verbindung mit den originalen Nebelscheinwerfer:

    Grün/blaues Kabel am Schalter (c338 Pin 3) Klick hier
    ca. 5 cm nach dem Stecker durchtrennen und die Seite des Kabels
    welches aus dem Schalter kommt mit dem
    gelben Kabel des CH-Moduls verbinden.
    Die andere Seite des durchtrennten Kabels mit dem
    gelb/schwarzen Kabel des CH-Moduls verbinden.

    In Verbindung mit dem Fahrlicht :

    Lenksäulenverkleidung abbauen
    Am Stecker (c357) vom linken Lenksäulenschalter
    ist ein grün/blaues Kabel (Pin 9).
    Dieses ca. 5 cm nach dem Stecker durchtrennen und die Seite des Kabels
    welches aus dem Schalter kommt mit dem
    gelben Kabel des CH-Moduls verbinden.
    Die andere Seite des durchtrennten Kabels mit dem
    gelb/schwarzen Kabel des CH-Moduls verbinden.

    Anschluß an die Zentralverriegelung:

    Am Stecker/GEM c317 (grün) Pin 2 weiß/grünes Kabel und Pin 3 gelb/rotes o. gelb/grünes Kabel messen ob + oder – anliegt.
    Wenn Masse(-) anliegt:
    jeweils eins der braunen Kabel ( + ) an Pin 2 und 3 anschließen .
    aber es muss je eine Sperrdiode in die braunen Kabel in die richtige Richtung eingesetzt werden, so dass die Masse gesperrt wird,
    "und nicht ins Modul fliesen kann", ansonsten macht das CHModul einen Abflug.
    Wenn Spannung(+) anliegt:
    Anstelle der braunen die blauen Kabel verwenden und die Dioden so einsetzen das keine Spannung(+) ins CHModul "fliesen kann"!
    Das orange und orange /schwarze Kabel wird nicht benötigt, diese könnte man aber für eine weitere Funktion
    z.B. zum einschalten der Rückfahrscheinwerfer als rückseitiges Coming Home Light nutzen.

    Das GEM-Modul befindet sich hinter der Amaturenbrettabdeckung im Fahrerfußraum.
    Den Anhang 17336 betrachten

    Die Kabelfarben des CHModules können von meiner Beschreibung abweichen!
    Alle Angaben ohne Gewähr !!!
     
    Zuletzt von einem Moderator bearbeitet: 19. Februar 2011
  11. Eckstaedt

    Eckstaedt Forums Fortgeschrittene(r)

    Registriert seit:
    1. März 2006
    Beiträge:
    277
    Zustimmungen:
    0
    kannst du die Funktion irgendwie erklären was ich da für kabel durchtrenne? USW
     
  12. TS
    RST

    RST Gast

    hast du schon ein CH modul verbaut oder möchtest diese erst noch einbauen ?
    und was verstehst du nicht ist doch alles klar beschrieben.
     
  13. Eckstaedt

    Eckstaedt Forums Fortgeschrittene(r)

    Registriert seit:
    1. März 2006
    Beiträge:
    277
    Zustimmungen:
    0
    Ich will es noch einbauen und die TFL ansteuern. du hast es echt spitze beschrieben. Aber kannst du erklären welche kabel für was im zuständig sind.
     
  14. TS
    RST

    RST Gast

    Am CH sind 10 kabel dran.

    schwarz für masse

    rot für dauerplus

    gelb und orange sind die eingänge für die im modul verbauten schalter , diese werden an die spannungsversorgung der jeweiligen leuchten
    angeschlossen , welche als lichtquelle benutzt werden sollen ( in deinem falle ist es die sicherung für die anhängerkupplung )

    gelb/schwarz und orange/schwarz sind die jeweiligen schalterausgänge des CH und diese gehen dann zu den lichtquellen

    die beiden blauen sind negativen eingänge für auf und zu von der fernbedienung
    und die beiden braunen sind die positiven eingänge für auf und zu der fernbedienung

    ob die blauen oder braunen kabel verwendet werden müssen hängt vom beschriebenen meßergebnis ab.

    durchgetrennt werden muß nur ein kabel ( in deinem fall das kabel welches du an der sicherung für die Azv angeschlossen hast )
     
    Zuletzt von einem Moderator bearbeitet: 20. Februar 2011
  15. Eckstaedt

    Eckstaedt Forums Fortgeschrittene(r)

    Registriert seit:
    1. März 2006
    Beiträge:
    277
    Zustimmungen:
    0
    ja aber da der strom für die TFL liegt doch nur an wenn die Zündung an ist. zumindest hab ich die so angschlossen. da nützt es doch nix oder?
     
  16. TS
    RST

    RST Gast

    das CH modul hat doch eine eigene spannungsversorgung (rotes kabel) und diese wird dann einfach auf den ausgang zu den TFL geschaltet
     
  17. Eckstaedt

    Eckstaedt Forums Fortgeschrittene(r)

    Registriert seit:
    1. März 2006
    Beiträge:
    277
    Zustimmungen:
    0
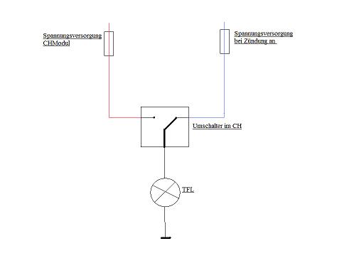
    Was ist wenn das CH Modul die TFL noch leuchten lässt und ich mach die zündung an. und beide Stromquellen aktiv sind?
     
  18. TS
    RST

    RST Gast

    DSC01400.JPG
    was soll passieren ?
    nichts das CH modul schaltet nach der einprogrammierten zeit einfach von der internspannungsversorgung auf die normale spannungsversorgung um
    und das TFL wird für ca.1/10 s aus und wieder an gehen .
     
    Zuletzt von einem Moderator bearbeitet: 22. Februar 2011
  19. Eckstaedt

    Eckstaedt Forums Fortgeschrittene(r)

    Registriert seit:
    1. März 2006
    Beiträge:
    277
    Zustimmungen:
    0
    vielen vielen Dank für deine Vielen Infos ist echt spitze wie du dich engagierst
     
  20. TS
    fiest97

    fiest97 Gast

    hey

    ist zwar schon nen bisschen was herr aber ich hab da ein problem

    hab mir gestern ein neues coming / leaving home modul von jom angeschlossen, seitdem fliegt die sicherung vom rückfahrtlicht

    hab es wie folgt angeschlossen

    Masse vom Lichtschalter ( schwarz )
    Strom vom Lichtschalter ( schwarz/orange )
    Signal der ZV; GEM 4ter stecker von links bzw 2ter von rechts Grün/weißes kabel ( habe es gemessen und dort liegen nur +12V an beim öffnen beim schliessen tut sich nix weder - noch + )

    kann mir einer sagen warum die sicherung vom rückfahrtlicht nun fliegt ?